توضیحات
خرید PS21661-Z برند Mitsubishi، ماژول IGBT با توانایی کنترل جریان 3 آمپر و ولتاژ 600 ولت، مناسب برای درایوهای اینورتر سهفاز با کنترل موتور کوچک در سیستمهای DC به AC.
مشخصات فنی ماژول PS21661-Z
• نوع ماژول: IGBT-IPM
• ولتاژ کلکتورامیتر (VCES): 600V
• جریان نامی کلکتور (IC): 3A
• توان تلفاتی (PD): 15W
• ولتاژ گیتامیتر (VGE): ±20V
• ولتاژ اشباع کلکتورامیتر (VCE(sat)): 1.6V
• فرکانس سوئیچینگ (PWM Frequency):15 کیلو هرتز
• سرعت سوئیچینگ: 0.7µs (Turn-On)، 0.55µs (Turn-Off)
• پکیج: SIP-IPM (ماژول قدرت یکپارچه نوع فشرده)
• دمای کاری (Tjop): از 40- تا 125+ درجه سانتی گراد
• برند: Mitsubishi Semiconductor
• وزن ماژول: 10g
ابعاد ماژول PS21661-Z
• طول کل: 38mm
• عرض کل: 24mm
• ارتفاع کل: 4mm
کاربردهای ماژول PS21661-Z
• درایو موتورهای سهفاز کوچک
• سیستمهای اینورتر DC به AC
• کنترل موتورهای با سرعت بالا
• استفاده در سیستمهای UPS (برق اضطراری)
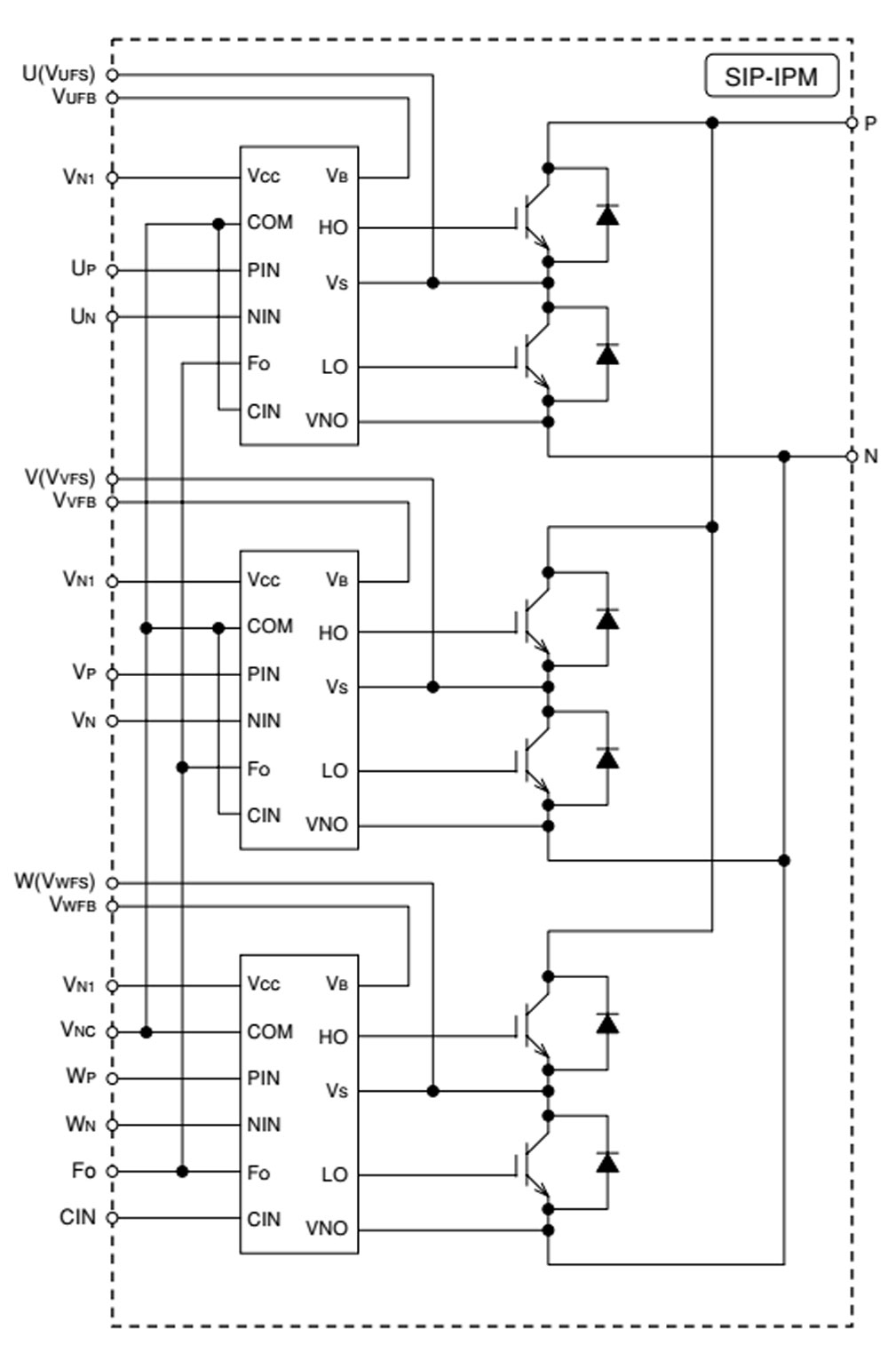
ساختار داخلی ماژول PS21661-Z
دیتاشیت ماژول PS21661-Z
جهت دانلود دیتاشیت میتوانید از اینجا اقدام نمایید.












دیدگاهها
هیچ دیدگاهی برای این محصول نوشته نشده است.