توضیحات
خرید سنسور HAT1000-S در شار الکترونیک
سنسور Hall Effect مدل HAT1000-S از برند معتبر LEM با دقت بالا و خطی بودن مناسب برای اندازهگیری جریانهای DC، AC و پالسدار طراحی شده است. این سنسور دارای ویژگیهایی همچون پاسخدهی سریع و مقاومت بالا در برابر نویزهای خارجی میباشد و برای مهندسین برق و الکترونیک یک انتخاب ایدهآل است.
مشخصات فنی سنسور HAT1000-S
• ولتاژ تغذیه(Uc): 15V±
• جریان مصرفی(Ic): 20mA±
• جریان نامی(Ipn): 1000A
• ولتاژ خروجی(Uout) : 4V±
• دمای کاری: از 40- تا 105+ درجه سانتیگراد
• برند: LEM
• مقاومت خروجی: 100Ω
• وزن: 300g
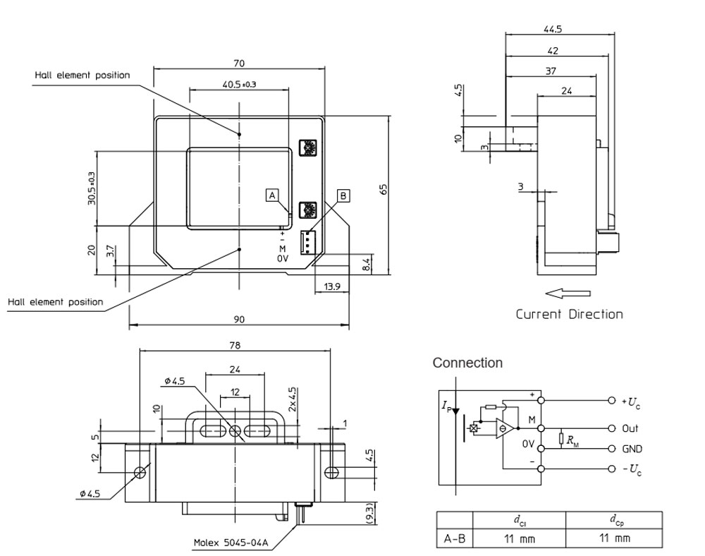
ابعاد سنسور HAT1000-S
• طول کل: 90mm
• عرض کل: 60mm
• ارتفاع کل: 44.5mm
کاربردهای سنسور HAT1000-S
• اندازهگیری جریان در درایوهای موتور DC
• منابع تغذیه سوئیچینگ (SMPS)
• درایوهای سرعت متغیر AC
• منابع تغذیه بیوقفه (UPS)
• کاربردهای تامین انرژی برای سیستمهای باتری
• منابع تغذیه برای کاربردهای جوشکاری
ساختار داخلی سنسور HAT1000-S
دیتاشیت سنسور HAT1000-S
جهت دانلود دیتاشیت میتوانید از اینجا اقدام نمایید.














دیدگاهها
هیچ دیدگاهی برای این محصول نوشته نشده است.